EN CN
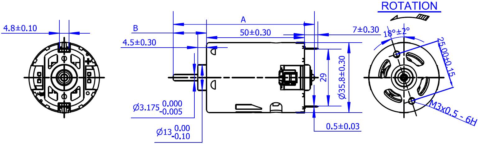
JBSD545M-2

JBSD545M-2

用途:

产品介绍:

产品详情