EN CN
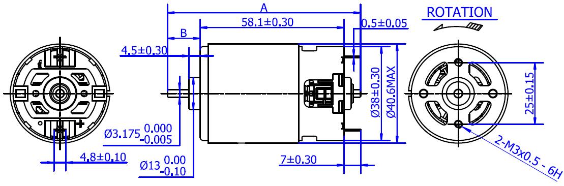
JBSD650PM

JBSD650PM

用途:

产品介绍:

产品详情